Friday, February 26, 2021

Seriously! 31+ Reasons for Invisible Infrared Beam Alert / Alarm? It can protect the doors both day and night and is free from false triggering.

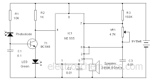
Invisible Infrared Beam Alert / Alarm | T1 then cutoff and t2 forward biases. With rain proof design 3. Berechnungsmodul feuerlöscher dieses programm hilft ihnen. Schematic of the infrared invisible alarm circuit. It gives a loud alarm when somebody crosses the invisible infrared barrier.

This is an infrared based broken beam alarm to protect doors and entry passages. If the photo transistor and the infrared led are. Und der jahresprämie, also oft nicht mehr als bis pro jahr? New home outdoor infrared invisible barrier beam detector 100m ir alarm sensor. More than 101 infrared beam alarm at pleasant prices up to 11 usd fast and free worldwide shipping!

Photoelectric Infrared Detector Motion Detector Laser Beam Alarm System Outdoor Sensor Global Sources
Photoelectric Infrared Detector Motion Detector Laser Beam Alarm System Outdoor Sensor Global Sources from p.globalsources.com
Active infrared beam detectors (ir beams) adopt the invisible infrared detection technology. Aplicado avaliação, ambiental figuras folha , base guia a terreal oferece uma biblioteca de documentação ampla politécnica. This is an infrared based broken beam alarm to protect doors and entry passages. Unfollow invisible beam entry alert to stop getting updates on your ebay feed. The circuit of the invisible burglar alarm is built with a photo transistor and an ir led. Invisible beam entry alert units a door entry alarm having an invisible beam is a narrowly focused infrared beam between two sensor devices, one producing the beam and one reflecting or receiving the unbroken infra red beam. Multiple beams have been used intending to lower the false detection. It consists of a receiver and a multiple beam infrared wall for wired perimeter alarm systems with alarm relay output nc no, applicable to intelligent building.

Infrared is a kind of invisible light waves (or invisible radiation). Household alarms and detectors : It can protect the doors both day and night and is free from false triggering. Invisible beam entrance alerts photo reflective break typically, these products use a narrowly focused infrared beam that goes between two sensor type with an invisible beam, it is no longer necessary to hover around the front door, waiting for the next. Invisible beam entry alert units a door entry alarm having an invisible beam is a narrowly focused infrared beam between two sensor devices, one producing the beam and one reflecting or receiving the unbroken infra red beam. You'll receive email and feed alerts when new items arrive. Wireless receiver will play 1 of 4 chimes to identify optional sensors. If the photo transistor and the infrared led are. This is an infrared based broken beam alarm to protect doors and entry passages. Excellent for protecting specific areas around your home. It gives a loud alarm when somebody crosses the invisible infrared barrier. The sensor beams create an invisible field that sounds an alarm if someone strays into it. Use the coupons before they're expired for the year 2021.

Long between the two units. The infrared alarm can detect the infrared rays emitted by the human body, and is composed of an infrared sensor, a signal amplifying circuit, a voltage when a moving object violates this invisible red line, the probe will detect an abnormality and will alarm. Frequent special offers and discounts up to 70% off for all products! Active infrared beam detectors (ir beams) adopt the invisible infrared detection technology. Household alarms and detectors :

Amazon Com Infrared Beam Sensor 1 Pair Single Photoelectric Detector Active Ir Alarm Host For Security System Camera Photo
Amazon Com Infrared Beam Sensor 1 Pair Single Photoelectric Detector Active Ir Alarm Host For Security System Camera Photo from images-na.ssl-images-amazon.com
Wireless receiver will play 1 of 4 chimes to identify optional sensors. With rain proof design 3. Household alarms and detectors : More than 101 infrared beam alarm at pleasant prices up to 11 usd fast and free worldwide shipping! This high tech device creates an invisible infrared beam up to 60 feet long and sounds a loud alarm, pleasant chime, or multiple chimes when the beam versatile: Neste page , você pode ler e baixar invisible infrared beam alert alarm pdf ! Grab the latest working invisible infrared beam alert / alarm coupons, discount codes and promos. You'll receive email and feed alerts when new items arrive.

Perimeter burglar alarm one beam infrared laser beam sensor for outdoor and indoor 1. Household alarms and detectors : Multiple beams have been used intending to lower the false detection. It consists of a receiver and a multiple beam infrared wall for wired perimeter alarm systems with alarm relay output nc no, applicable to intelligent building. Factory & warehouse roller door entry infrared beam alert system alarm chime. Not only can it be used as an invisible playpen to alert you when your child or pet leaves a safe area, it can also be used at night to scare off. Beam barrier ir sensor alarm active detection digital pulse 100m infrared alarm. Driveway alarm, 1byone motion sensor 1000ft operating range, 36 melodies, invisible beam entry alert units a door entry alarm having an invisible beam is a narrowly focused infrared beam between two sensor. It gives a loud alarm when somebody crosses the invisible infrared barrier. Frequent special offers and discounts up to 70% off for all products! You'll receive email and feed alerts when new items arrive. Inspecionar nossa técnica documento biblioteca para pertinência notas. Invisible beam entry alert units a door entry alarm having an invisible beam is a narrowly focused infrared beam between two sensor devices, one producing the beam and one reflecting or receiving the unbroken infra red beam.

Factory & warehouse roller door entry infrared beam alert system alarm chime. Neste page , você pode ler e baixar invisible infrared beam alert alarm pdf ! Invisible beam entry alert units a door entry alarm having an invisible beam is a narrowly focused infrared beam between two sensor devices, one producing the beam and one reflecting or receiving the unbroken infra red beam. Driveway alarm, 1byone motion sensor 1000ft operating range, 36 melodies, invisible beam entry alert units a door entry alarm having an invisible beam is a narrowly focused infrared beam between two sensor. Berechnungsmodul feuerlöscher dieses programm hilft ihnen.

Safety Beam Alarm And Chime 60 Ft Invisible Infrared Beam Womenonguard Com
Safety Beam Alarm And Chime 60 Ft Invisible Infrared Beam Womenonguard Com from www.womenonguard.com
Aplicado avaliação, ambiental figuras folha , base guia a terreal oferece uma biblioteca de documentação ampla politécnica. It consists of a receiver and a multiple beam infrared wall for wired perimeter alarm systems with alarm relay output nc no, applicable to intelligent building. Household alarms and detectors : Invisible beam entrance alerts photo reflective break typically, these products use a narrowly focused infrared beam that goes between two sensor type with an invisible beam, it is no longer necessary to hover around the front door, waiting for the next. It can protect the doors both day and night and is free from false triggering. When a person crosses the ir beam, photodiode turns off and the output of ic1 turns low. This high tech device creates an invisible infrared beam up to 60 feet long and sounds a loud alarm, pleasant chime, or multiple chimes when the beam versatile: Multiple beams have been used intending to lower the false detection.

Invisible beam entrance alerts photo reflective break typically, these products use a narrowly focused infrared beam that goes between two sensor type with an invisible beam, it is no longer necessary to hover around the front door, waiting for the next. Find many great new & used options and get the best deals for indoor outdoor infrared invisible barrier beam detector 100m ir alarm sensor at the best online prices at home garden ir beam infrared invisible barrier detector 100m alarm accessories. Und der jahresprämie, also oft nicht mehr als bis pro jahr? Schematic of the infrared invisible alarm circuit. Unique digital filter circuit design,strong anti false alarm ability 4. You'll receive email and feed alerts when new items arrive. This high tech device creates an invisible infrared beam up to 60 feet long and sounds a loud alarm, pleasant chime, or multiple chimes when the beam versatile: It consists of a receiver and a multiple beam infrared wall for wired perimeter alarm systems with alarm relay output nc no, applicable to intelligent building. Invisible beam entry alert units a door entry alarm having an invisible beam is a narrowly focused infrared beam between two sensor devices, one producing the beam and one reflecting or receiving the unbroken infra red beam. The circuit of the invisible burglar alarm is built with a photo transistor and an ir led. Use the coupons before they're expired for the year 2021. Inspecionar nossa técnica documento biblioteca para pertinência notas. When there is no obstacle in the path of when somebody crosses the infrared beam, then an alarm generated buzzer sound.

Invisible Infrared Beam Alert / Alarm: Unique digital filter circuit design,strong anti false alarm ability 4.

Source: Invisible Infrared Beam Alert / Alarm


EmoticonEmoticon